Производитель:
АО "ЕЛЕЦГИДРОАГРЕГАТ"
Поделиться:
Расшифровка обозначения гидроцилиндра

Для оперативного подбора гидроцилиндра просим предоставить следующие данные: Основные технические размеры существующего гидроцилиндра; Фото маркировки (шильда) с заводскими параметрами (если имеется); Чертежи или точные замеры габаритных размеров
Просим направить информацию любым удобным способом для оперативного формирования коммерческого предложения.
Примечание: При отсутствии точных размеров рекомендуем произвести замеры с помощью измерительных инструментов (штангенциркуль, линейка).

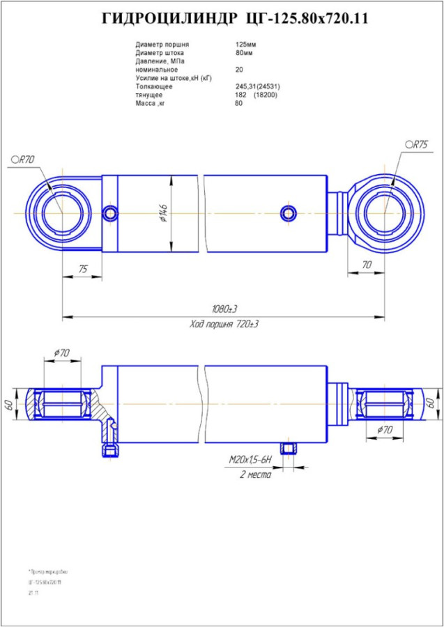
ЦГ-125.80х720.11 Гидроцилиндр
Применяемость: Лесозаготовительная техника, МУГ-70, МГМ-40А
Производитель: АО " ЕЛЕЦГИДРОАГРЕГАТ"
Диаметр поршня, мм: 125
Диаметр штока, мм: 80
Ход поршня, мм: 720
Подшипник: 70
Давление: Номинальное, МПа: 20
Давление: Максимальное, Мпа: 25
Масса, кг: 80
Толкающее усилие на штоке, кг: 24531
Тянущее усилие на штоке, кг: 18200
Купить ЦГ-125.80х720.11 Гидроцилиндр вы можете в компании Строймашсервис, оформив заказ в интернет магазине, или
отправив заявку
по почте, а также по телефону
или в
офисе компании
.
Вам может понравиться
Артикул: 80*56*400*18
в наличии
80.56.400.18
Применяемость: ПК-2702, ПК-3301
Применяемость: ПК-2702, ПК-3301
0,00 Р
Артикул: 125*56*400*11
в наличии
125.56.400.11
Применяемость: ТО-30
Применяемость: ТО-30
58 047,00 Р
Артикул: 80.50x1090.22
в наличии
Применяемость: АГП-22, АВТОГИДРОПОДЪЁМНИКИ И АВТОВЫШКИ.
38 270,00 Р
Артикул: 100.50.200.515.02
в наличии
Применяемость: БДТ-7, КАД-7, ЛГД-15М
20 247,00 Р

