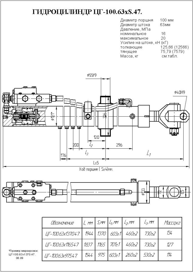
Гидроцилиндр подъема отвала Т-11.02 ЦГ-100.63х1370.47
Расшифровка обозначения гидроцилиндра

Для оперативного подбора гидроцилиндра просим предоставить следующие данные: Основные технические размеры существующего гидроцилиндра; Фото маркировки (шильда) с заводскими параметрами (если имеется); Чертежи или точные замеры габаритных размеров
Просим направить информацию любым удобным способом для оперативного формирования коммерческого предложения.
Примечание: При отсутствии точных размеров рекомендуем произвести замеры с помощью измерительных инструментов (штангенциркуль, линейка).

Каталожный №: ЦГ-100.63х1370.47, 1101-26-708СБ
Применяемость: цилиндр подъема отвала Т-11.01, Т-11.02
ЦГ-100.63х1370.47 Гидроцилиндр, ЦГ-100.63х1370.47-02 Гидроцилиндр, ЦГ-100.63х1370.47-02 ТВЧ Гидроцилиндр, ЦГ-100.63х1370.47-01 Гидроцилиндр
Применяемость: ПК-2702, ПК-3301
Применяемость: ТО-30



