Делитель потока ДП-80
ДП80 (делитель потока) разработан для коммунальной машины для управления приводом посыпки дорожного полотна. ДП-80 позволяет уменьшить применение гидронасосов в схеме управления приводами транспортера и пескоразбрасывателя до одного. Привод пескоразбрасывателя присоединяется к каналу В, привод транспортера к каналу А. При наличии на машине других гидравлических приводов магистраль подачи «Р» ДП80 можно соединять с полостным отводом с одной из секций имеющегося распределителя.
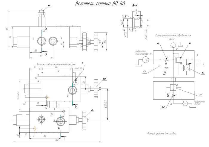
Состав:К2 - клапан переливной; КП - клапан предохранительный; КУ - канал управления; К1 - клапан делителя; ДР-ДР1 - дроссель регулятора (переменный); Д - дроссель.
Служит для разделения рабочей жидкости на две части, регулирования величины этих потоков и предохраняет гидросистему от перегрузки, дистанционно разгружает насос от избыточного давления.
Рекомендации по применению: если производительность насоса превышает суммарно заданный расход по каналам А и В, то поток избыточной рабочей жидкости перепускается на слив при давлении, превышающем фактическое давление нагрузки в канале А (привод транспортера) на величину (заданную) перепада давления на клапане К2.
Р = Ра + ΔРк2
| Номинальный суммарный расход | 80 л/мин. (регулируется) |
| Номинальный перепад давления на клапане К2 | 0,8 МПа |
| Перепад давления на клапане К1 | 0,5 МПа |
| Диапазон регулирования предохранительного клапана КП | 5...25 МПа |

