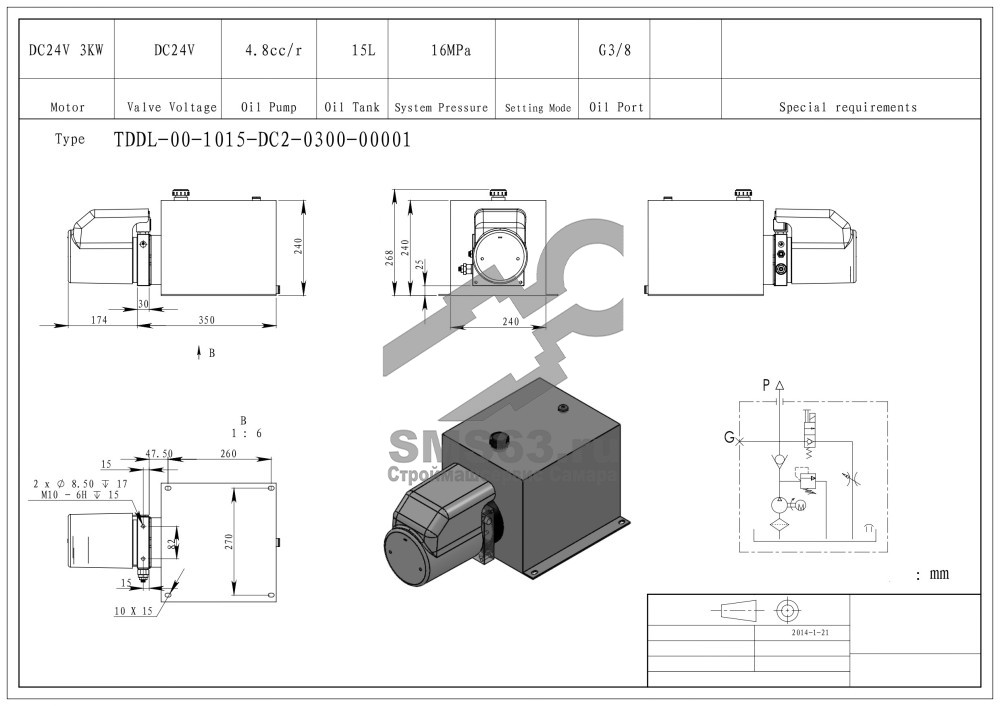
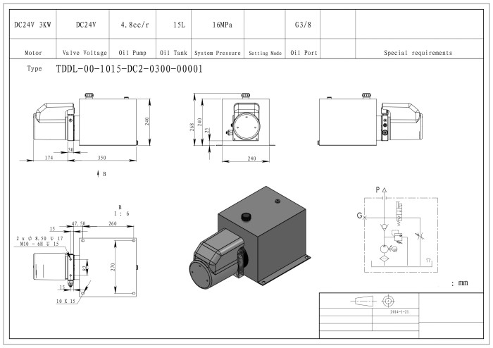
Мини гидростанция для мобильной техники (напряжение электродвигателя 24в) на 3 кВт, давление 16 Мпа
Артикул: TDDL-00-1015-DC2-0300-00001
в наличии
Получить консультацию
Производитель:
Применяемость: Для подъема гидроборта на грузовиках и на малом коммерческом транспорте
(16 MPa. DC24V 3 KW. 15L Tank. Valve DC24V. Port G3/8")
Станция насосная гидравлическая серии TDDL соответствует требованиям нормативных документов: ГОСТ Р 31839-2012(EN809-1998)
Номер декларации: ТС N RU Д-SN.АD77.B.
Гидравлическая насосная станция предназначена для обеспечения гидравлической энергией промышленного гидравлического оборудования.
(16 MPa. DC24V 3 KW. 15L Tank. Valve DC24V. Port G3/8")
Станция насосная гидравлическая серии TDDL соответствует требованиям нормативных документов: ГОСТ Р 31839-2012(EN809-1998)
Номер декларации: ТС N RU Д-SN.АD77.B.
Гидравлическая насосная станция предназначена для обеспечения гидравлической энергией промышленного гидравлического оборудования.
Поделиться:
Рабочий объем насоса ( см3/об ): 4.8
Номинальное рабочее давление ( МПа ): 16
Номинальная мощность электродвигателя ( кВт ): 3
Напряжение питания электродвигателя ( В ): 24
Номинальная частота вращения двигателя ( об/мин ): 2850
Направление вращения двигателя: Правое
Объем гидробака ( л ): 15
Расположение гидростанции: Горизонтальное
Присоединительные размеры линий: 3/8"
Напряжение питания клапана ( В ): 24
Габариты (ДхШхВ) ( мм ): 651х190х205
Производитель: Китай
Купить Мини гидростанция для мобильной техники (напряжение электродвигателя 24в) на 3 кВт, давление 16 Мпа вы можете в компании Строймашсервис, оформив заказ в интернет магазине, или
отправив заявку
по почте, а также по телефону
или в
офисе компании
.
Вам может понравиться
Артикул: TDDL-00-2002-DC2-0160-00001
в наличии
Применяемость: Для трала автовоза
(12 MPa. DC24V 1,6KW. 12L Tank. Valve DC24V. Port G3/8")
Станция насосная гидравлическая серии TDDL соответствует требованиям нормативных документов: ГОСТ Р 31839-2012(EN809-1998)
Номер декларации: ТС N RU Д-SN.АD77.B.
Гидравлическая насосная станция предназначена для обеспечения гидравлической энергией промышленного гидравлического оборудования.
(12 MPa. DC24V 1,6KW. 12L Tank. Valve DC24V. Port G3/8")
Станция насосная гидравлическая серии TDDL соответствует требованиям нормативных документов: ГОСТ Р 31839-2012(EN809-1998)
Номер декларации: ТС N RU Д-SN.АD77.B.
Гидравлическая насосная станция предназначена для обеспечения гидравлической энергией промышленного гидравлического оборудования.
32 028,00 Р
Артикул: TDDL-00-1015-DC2-0220-00004; TDDL-00-1003-DC2-0220-00002
в наличии
Применяемость: Для подъема кузова малотоннажных самосвалов
(16 MPa. DC24V 2,2KW. 10L Tank. Valve DC24V. Port G3/8")
Станция насосная гидравлическая серии TDDL соответствует требованиям нормативных документов: ГОСТ Р 31839-2012(EN809-1998)
Номер декларации: ТС N RU Д-SN.АD77.B.
Гидравлическая насосная станция предназначена для обеспечения гидравлической энергией промышленного гидравлического оборудования.
Клапан электромагнитный (нормально закрытый) с защитной крышкой двигателя и с пультом управления "Пульт ПКТ-20" (пост кнопочный).
(16 MPa. DC24V 2,2KW. 10L Tank. Valve DC24V. Port G3/8")
Станция насосная гидравлическая серии TDDL соответствует требованиям нормативных документов: ГОСТ Р 31839-2012(EN809-1998)
Номер декларации: ТС N RU Д-SN.АD77.B.
Гидравлическая насосная станция предназначена для обеспечения гидравлической энергией промышленного гидравлического оборудования.
Клапан электромагнитный (нормально закрытый) с защитной крышкой двигателя и с пультом управления "Пульт ПКТ-20" (пост кнопочный).
31 620,00 Р
Артикул: TDDL-00-2002-AC6-0150-00002
в наличии
Применяемость: Для подъема двухстороннего гидроцилиндра
(16 MPa. AC380V 1,5 KW. 10L Tank. Valve DC24V. Port G3/8")
Станция насосная гидравлическая серии TDDL соответствует требованиям нормативных документов: ГОСТ Р 31839-2012(EN809-1998)
Номер декларации: ТС N RU Д-SN.АD77.B.
Гидравлическая насосная станция предназначена для обеспечения гидравлической энергией промышленного гидравлического оборудования.
(16 MPa. AC380V 1,5 KW. 10L Tank. Valve DC24V. Port G3/8")
Станция насосная гидравлическая серии TDDL соответствует требованиям нормативных документов: ГОСТ Р 31839-2012(EN809-1998)
Номер декларации: ТС N RU Д-SN.АD77.B.
Гидравлическая насосная станция предназначена для обеспечения гидравлической энергией промышленного гидравлического оборудования.
37 740,00 Р
Артикул: TDDL-00-5002-DC1-0160-00004
в наличии
Применяемость: Для подъема гидроборта на грузовиках и на малом коммерческом транспорте
(18 MPa. DC12V 1,6 KW. 6L Tank. 2500 RPM Valve DC12V. Port G3/8")
Станция насосная гидравлическая серии TDDL соответствует требованиям нормативных документов: ГОСТ Р 31839-2012(EN809-1998)
Номер декларации: ТС N RU Д-SN.АD77.B.
Гидравлическая насосная станция предназначена для обеспечения гидравлической энергией промышленного гидравлического оборудования.
(18 MPa. DC12V 1,6 KW. 6L Tank. 2500 RPM Valve DC12V. Port G3/8")
Станция насосная гидравлическая серии TDDL соответствует требованиям нормативных документов: ГОСТ Р 31839-2012(EN809-1998)
Номер декларации: ТС N RU Д-SN.АD77.B.
Гидравлическая насосная станция предназначена для обеспечения гидравлической энергией промышленного гидравлического оборудования.
37 026,00 Р
Артикул: TDDL-00-2002-DC2-0220-00005; TDDL-00-2002-DC2-0220-00003
в наличии
Применяемость: Для трала автовоза
(18 MPa. DC24V 2,2 KW. 12 L Tank. Valve DC24. Port G3/8")
Станция насосная гидравлическая серии TDDL соответствует требованиям нормативных документов: ГОСТ Р 31839-2012(EN809-1998)
Номер декларации: ТС N RU Д-SN.АD77.B.
Гидравлическая насосная станция предназначена для обеспечения гидравлической энергией промышленного гидравлического оборудования.
(18 MPa. DC24V 2,2 KW. 12 L Tank. Valve DC24. Port G3/8")
Станция насосная гидравлическая серии TDDL соответствует требованиям нормативных документов: ГОСТ Р 31839-2012(EN809-1998)
Номер декларации: ТС N RU Д-SN.АD77.B.
Гидравлическая насосная станция предназначена для обеспечения гидравлической энергией промышленного гидравлического оборудования.
36 108,00 Р


